Befülleinheit »FUTURA-mini«, el. betätigt, 230 V AC, BG 0, G 1/4

Article Number: 142527
CHF 167.30

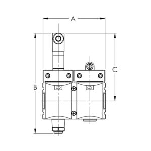
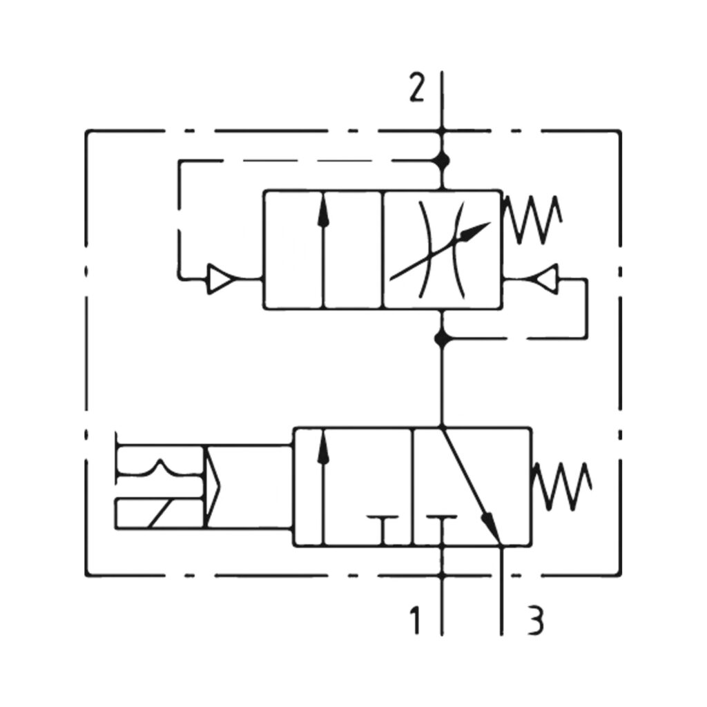
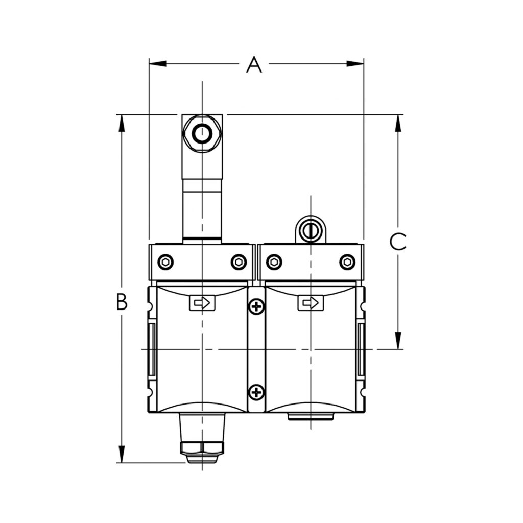
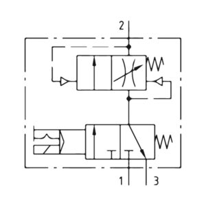
Befülleinheit »FUTURA-mini« el. betätigt mit Spule 230 V AC, 50 Hz, BG 0, G 1/4, Abluft G 1/4, PE 2,5-10 bar, Temp. -10°C bis 50°C. Die Befülleinheit sorgt für einen langsamen Druckaufbau und schützt somit nachfolgende Geräte. Die Einheit besteht aus einem 3/2-Wegeventil inklusive Schalldämpfer und einem Befüllventil (Anfahrventil), Zu- und Abschaltung durch 3/2-Wegeventil. Füllzeit durch Verstellen der Regulierschraube einstellbar.