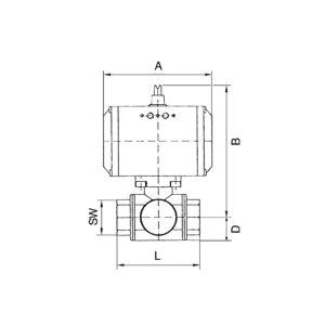
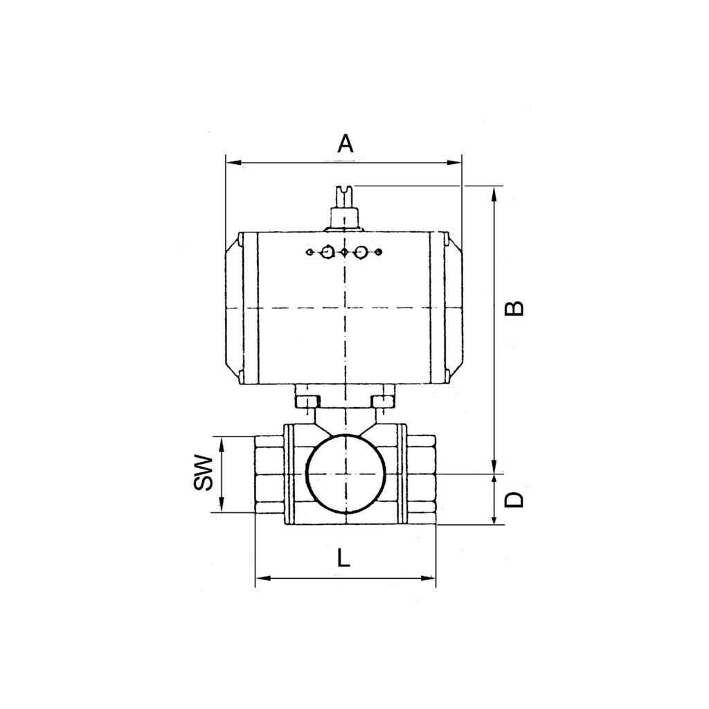
ES-Kuha, pneumat. Stellantrieb doppeltwirk., T-Bohrung T1, Rp 1/2

Article Number: MASTER-872
Preisspanne: CHF 416.80 bis CHF 1'247.10
Jetzt bestellen

3-Wege-Edelstahlkugelhahn, pneumat. Stellantrieb, T-Bohrung T1, Betriebstemp. -20 °C bis 70 °C, Rp 1/2, DN 15, PN max. 63 bar. 3-Wege-Hahn, reduzierter Durchgang. Pneumatischer Schwenkantrieb in doppelt- oder einfachwirkender Ausführung und integriertem Stellungsanzeiger. Genormte Schnittstellen: Verbindungsstelle Antrieb/Armatur: Vier bzw. acht Innengewinde im Antriebsgehäuse nach EN ISO 5211. Verbindungsstelle Antrieb/Steuerventil: Nach NAMUR bzw. VDI/VDE 3845. Verbindungsstelle Antrieb/Signalgerät: Nach VDI/VDE 3845 (NAMUR).